top of page
Wiring Diagrams
Following along with a build on my YouTube channel? Hopefully these wiring diagrams are helpful! USE ALL WIRING DIAGRAMS AND CONTENT ON THIS WEBSITE AND YOUTUBE AT YOUR OWN RISK!!!!!!
GP40/38 Blunami 4408 Wiring Diagram

Soundtraxx Technical Notes (#11 and #32 are the most important)
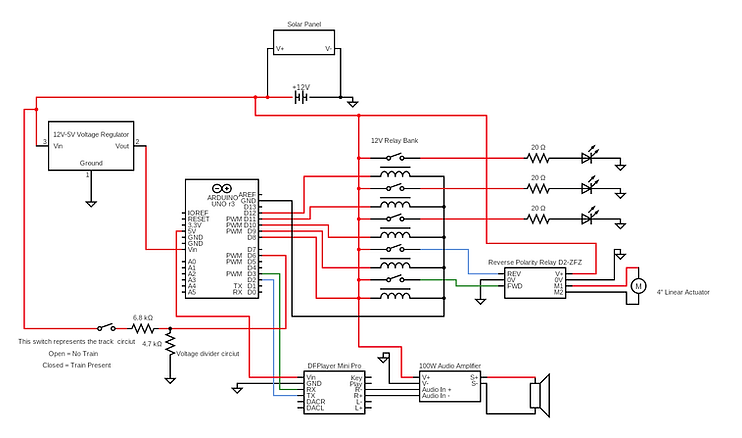
Crossing Gate
Wiring Diagram
Crossing gate is still in prototype. This diagram is UNTESTED

bottom of page
